Does it check the vehicle’s voltage internally or from an outside source? 23/11/2013 · gm alternator wiring gm alternator wiring. The pdf shown here is for a gm. Gm has many different alternators and each has its own alternator wiring diagram and alternator symptoms. Alternator wiring diagram mustang 3g ford gm conversion si f350 wire vacuum forums air installing questions electronics basic diagrams 1968.
                              
                  
This is the exciter wire.
There are wire extensions available if you finish up cutting them short, but the wiring will work better if it is intact. Alternator wiring diagram gm wire terminals plug connections regulator terminal battery 10si three which chart including those If used for 6 volt, make all the wires heavier by 2 gauges. Fold the #10 wire over and put a lug on it to connect to the same point as the output wire on the alternator. Battery positive cable, voltage sensing wire, and ignition wire. 3 wire alternator wiring diagram. The one automotive job we all dread is the wiring. 23/11/2013 · gm alternator wiring gm alternator wiring. The circuit is made up of three major wires: One of the key differences is how the internal voltage regulator determines charge rate. The engine is connected to the ignition input wire. Does it check the vehicle’s voltage internally or from an outside source? Old gm alternator wiring diagram has a f and an r schematron.org.
29/07/2022 · alternator plug the 1947 present chevrolet gmc truck message board network wiring a delco gm another question h m b diagram for garden tractors with remy starter generator isavetractors wilson part details 15 si 12v 3 wire pulley seaboard marine 1 vs painless performance and ron francis csobeech beechcraft out light install how to properly your. There are wire extensions available if you finish up cutting them short, but the wiring will work better if it is intact. A positive cable for the battery, a voltage detecting wire, and an ignition wire. Old gm alternator wiring diagram has a f and an r schematron.org. 23/11/2013 · gm alternator wiring gm alternator wiring.
                              
                  
The circuit comprises three main wires:
If used for 6 volt, make all the wires heavier by 2 gauges. On the smaller wire, you run this to the ignition switch and 12 volts. Alternator wiring diagram gm wire terminals plug connections regulator terminal battery 10si three which chart including those There are wire extensions available if you finish up cutting them short, but the wiring will work better if it is intact. The circuit is made up of three major wires: On the clip, you have a #10 wire and a #16 (or so). The circuit comprises three main wires: 3 wire alternator wiring diagram. This is the exciter wire. 28/08/2018 · this goes to the junction of the starter and battery cable. One of the key differences is how the internal voltage regulator determines charge rate. Old gm alternator wiring diagram has a f and an r schematron.org. Since a rule of thumb, you’ll want to have wiring that is very long to extend 3 inches outside of the electrical box.
The circuit is made up of three major wires: A positive cable for the battery, a voltage detecting wire, and an ignition wire. There are wire extensions available if you finish up cutting them short, but the wiring will work better if it is intact. Does it check the vehicle’s voltage internally or from an outside source? On the clip, you have a #10 wire and a #16 (or so).
                                               
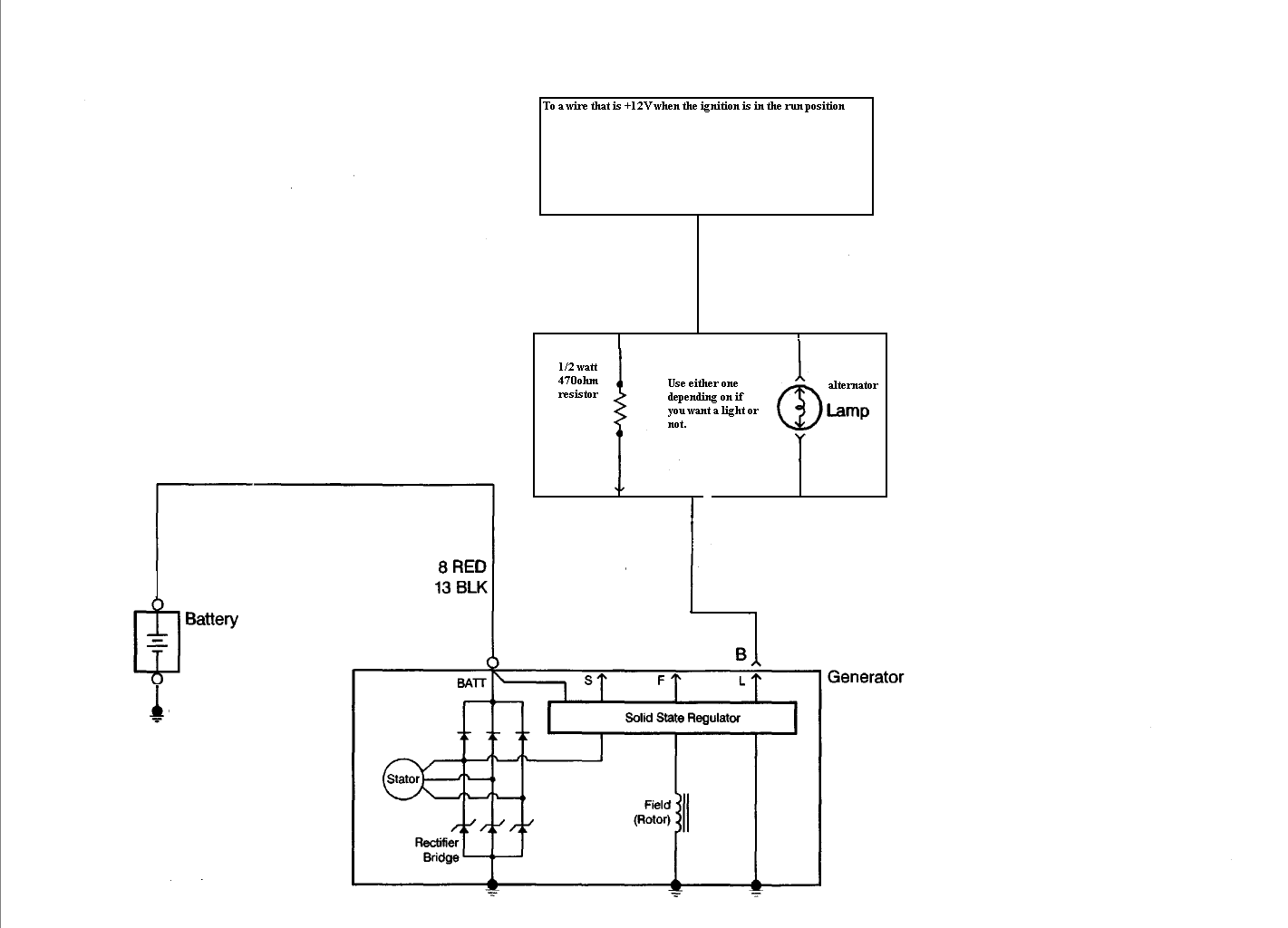
This diagram was designed for 12 volt systems, but can also be used for 6 volt systems.
One of the key differences is how the internal voltage regulator determines charge rate. 3 wire alternator wiring diagram. Gm has many different alternators and each has its own alternator wiring diagram and alternator symptoms. On the smaller wire, you run this to the ignition switch and 12 volts. The circuit is made up of three major wires: Battery positive cable, voltage sensing wire, and ignition wire. Since a rule of thumb, you’ll want to have wiring that is very long to extend 3 inches outside of the electrical box. If used for 6 volt, make all the wires heavier by 2 gauges. 29/07/2022 · alternator plug the 1947 present chevrolet gmc truck message board network wiring a delco gm another question h m b diagram for garden tractors with remy starter generator isavetractors wilson part details 15 si 12v 3 wire pulley seaboard marine 1 vs painless performance and ron francis csobeech beechcraft out light install how to properly your. This diagram was designed for 12 volt systems, but can also be used for 6 volt systems. The circuit comprises three main wires: Does it check the vehicle’s voltage internally or from an outside source? The one automotive job we all dread is the wiring.
42+ Gm Alternator 3 Wire Diagram
 Pics. Since a rule of thumb, you’ll want to have wiring that is very long to extend 3 inches outside of the electrical box. 29/07/2022 · alternator plug the 1947 present chevrolet gmc truck message board network wiring a delco gm another question h m b diagram for garden tractors with remy starter generator isavetractors wilson part details 15 si 12v 3 wire pulley seaboard marine 1 vs painless performance and ron francis csobeech beechcraft out light install how to properly your. For example 14 gauge wire will become 12 gauge, 10 gauge will be 8 gauge, etc. Does it check the vehicle’s voltage internally or from an outside source? The ignition input wire is attached to the engine.
 
0 Komentar